Structured Steel - Custom Frame Profiles
We have set on a journey beyond just catalog items and venture deeper into the database of components.
- We have setup a new custom frame profiles for use when generated steel structured frames in Structured part mode.
- INSTALLATION: Installation is required to gain access to these custom frames. Make sure to make a backup copy of the folder "CustomStructuredFrame" prior to overwritting as outlined below. Simply unzip the files supplied in "CustomStructuredFrame.zip" into the following directory and overwrite the current "CustomStructuredFrame" folder: C:\Users\End User\AppData\Local\IronCAD\IRONCAD\XX.0\en-us
Custom Frames:
MAG2023 |
Structural Tubing - SquareCustom frame for Structural Tubing-Square with sizes from 1/2 to 1-1/2" Squares. |
|
|
|
Square BarCustom frame for Square Bar with sizes from 0.125" to 6.0" Squares. |
|
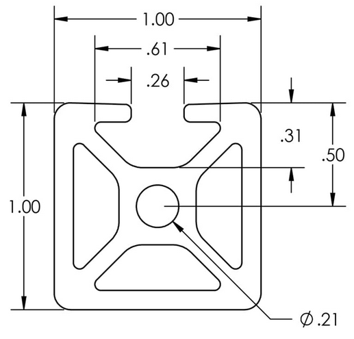
T-SLOT
|
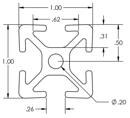
TS10-10Custom frame per standard size.
|
|
|
|
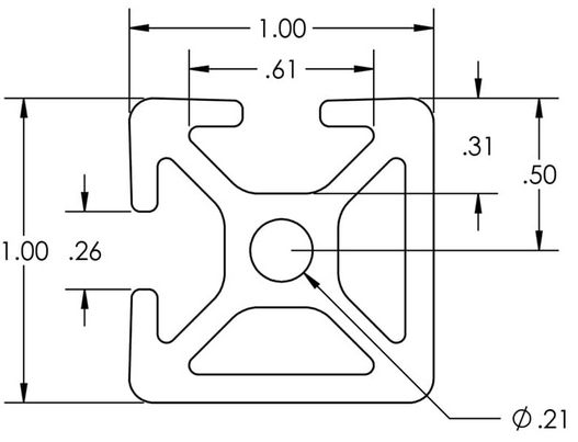
TS10-10 BiSlot Ad_SQCustom frame per standard size.
|
|
|
|
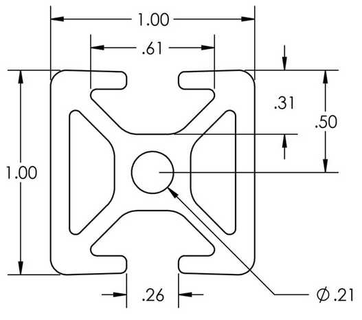
TS10-10 BiSlotOpp_SQCustom frame per standard size.
|
|
|
|
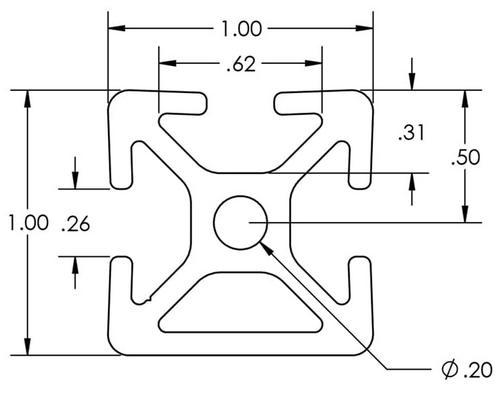
TS10-10 TriSlot_SQCustom frame per standard size.
|
|
|
|
TS10-10 MSCustom frame per standard size.
|
|
|
|
TS10-10QRCustom frame per standard size.
|
|
|
|
TS10-50Custom frame per standard size.
|
|
QUICKFRAME
|
QF9000Custom frame per standard size.
|
|



















