m-TOOLS
https://magnacad.com/shop/mag-tools
Mag-TOOLS is an IronCAD catalog exclusively developed by Magnacad, LLC with a varied collection of components. Such components include; Tubing and Pipe Variant models with associated components, Advanced fasteners such as U-Bolts, Assembly-Features, ANSI intellishapes, and more.

|
Bottle Rail |
|
|
Bottle Rail Rectangle |
|
|
Bottle Rail U |
|
|
Bottle Rail X |
|
|
C-Channel Box Frame. |
A Structured part steel frame construction. C Channel top frame with angle legs. Reize the frame using the "SIZEBOX EDITOR" in the feature tree. Of course, you can edit the components as desired using standard IronCAD methods.
|
|
Chain Link |
|
|
Corner Extrusion |
|
|
Corrogated Flat |
|
|
Corrogated Round |
|
|
Datum Snap Block |
|
|
Extruded Channel |
|
|
FLEX Plate Corner Holes Constrained |
|
|
Flanged Box Tube |
|
|
Hinge Parametric |
|
|
Hot Roll Tube - Square |
|
|
J-Channel, Clear Plastic |
|
|
L_Allen (Hex) Key |
|
|
L_Allen (Hex) Key mm |
|
|
L_Box End Wrench |
|
|
L_Combination Wrench |
A simple variant model of a combination wrench ranging from 1/4" to 1" size. Part of the "Lean" type components. NOTE: Please note the lengths of these vary from brand to brand, so if that's important, please double check the length according to the brand you desire. You can alter the length in the design variation field or override altogether using Part Properties Sizebox handles.
|
|
L_HEX Socket METRIC |
|
|
L_HEX Socket SAE_3/8" Drive |
|
|
L_Hole Saw |
|
|
L_Power Drill |
|
|
L_SAE Hex Deep Socket 1/4" Drive |
A variant model of a 6 point hex socket according to 1/4" drive specifications as noted on the webhook attached to model. |
|
L_Screwdriver |
|
|
Link Bar Holes Concentric |
|
|
Loop Single |
A direct dimension driven shape. Added more geometric constants for better success. Also added Center of Radius constraint dimension (ie. 0.125) for more control. Also updated to be dropped as an Intellishape if desired.
|
|
QF 2-Way Corner Connector |
|
|
QF 3 Way Corner Connector |
|
|
QF 3-Way Tee Connector |
|
|
QF 4 Way Corner Connector |
|
|
QF 90D Corner Base Connector |
|
|
Quick Frame 9000 |
|
|
Quick Frame 9000 Part |
|
|
Resizeable Frame |
|
|
Resizeable Shelf Rack |
|
|
S Hook |
A variant model of a common S Hook. You can enter the desired radial centerline dimension of hook via thr Design Variation. You also have the ability to edit the dimensions in the profile if desired as well.
|
|
S Hook Tight Small |
|
|
SA_Chain Link |
|
|
SYNERGY Configurator |
|
|
Sculpting |
Web link to a free 3d cloud-based sculpting platform to develop organic shapes that can be export in various formats and used in your IronCAD design. Video: https://magnacad.com/wp-content/uploads/Magna-Catalogs/MagSHAPES/Sculpting.mp4
|
|
Steel Box_SQ BAR 001 |
|
|
Steel Box_SQ TUBE 001 |
|
|
Steel Frame 001 |
Structured Steel Frame which is set to 1" x 1" Square Tubing by default. This is using the MAG2023 Custom Structured Frame files included in this release. See "MAG2023 Custom Frame" below. MAG2023 Custom Frame We have setup a new custom frame for Structural Tubing-Square with sizes from 1/2 to 1-1/2" Squares. This is used when generated steel structured frames in Structured part mode.
INSTALLATION: Installation is required to gain access to these custom frames. Make sure to make a backup copy of the folder "CustomStructuredFrame" prior to overwritting as outlined below. Simply unzip the files supplied in "CustomStructuredFrame.zip" into the following directory and overwrite the current "CustomStructuredFrame" folder: C:\Users\End User\AppData\Local\IronCAD\IRONCAD\XX.0\en-us |
|
Steel Frame TS10-10 |
Structured Steel Frame which is set by default to use the eagle T-slot TS10-10. This is using the T-SLOT Custom Structured Frame files included in this release.
|
|
Steel Table |
|
|
Stitch Weld |
Updated the Stitch Weld to include design variations from .125 thru .312 bead diameters. Updated geometry to a 1/4 round type profile instead of full round and will no longer be included in Bill of Materials. This provides better visualization in renderings. The length of bead controlled using the Intellishape H handle. The number of beads and the distance between them is controlled throught the Intellishape pattern feature. |
|
Structural Angle |
|
|
Structural Angle w Holes |
|
|
TOWER Unequal Leg Channel |
|
|
TS10-10 |
|
|
TS10-10 BiSlot Ad |
|
|
TS10-10 BiSlot Ad_SQ |
|
|
TS10-10 BiSlot Opp |
|
|
TS10-10 BiSlotOpp_SQ |
|
|
TS10-10 MonoSlot |
|
|
TS10-10 MonoSlot_SQ |
|
|
TS10-10 TriSlot |
|
|
TS10-10 TriSlot_SQ |
|
|
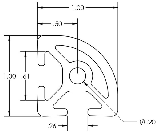
TS10-10QR |
Custom frame per standard size.
|
|
TS10-10_SQ |
|
|
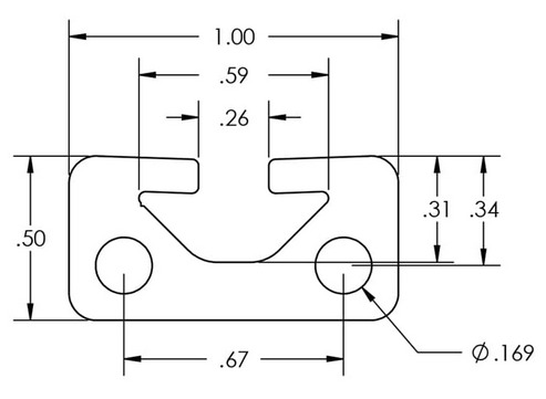
TS10-50 |
Custom frame per standard size.
|
|
U-Trim |
|
|
Weld Bead |
Updated the Weld Bead to include design variations from .125 thru .312 bead diameters. Updated geometry to a 1/4 round type profile instead of full round and will no longer be included in Bill of Materials. This provides better visualization in renderings. The length of bead controlled using the Intellishape H handle. |
|
Weld Profile |
A 2D profile cross-section that can be edited through direct dimension to chnage bead symmetriclally. Used primarily with the Sweep command, but can used as desired elsewhere. |
|
Wire Tray |
|
|
Wire Tray Assy |
|
|
Woodruff Key Param |
|
|
Zee Bracket Param |
|
|
|
Extruded Aluminum Profiles from Eagle Aluminum product line. These are some of the common profiles used. There are two versions, the post fix of "SQ" indicates the profile has been modified to be truly square for designing purposes. The other is the actual profile of purchased parts. Its receommended to use the "SQ" versions when designing to allow proper snapping and positioning. The actual shapes can be used for more realism if desired after design is completed.
|
|
|
|
TS10-50a Intellishape of a T-Slot extrusion #TS10-50.
|
|
|
|
TS10-10QRa Intellishape of a T-Slot extrusion #TS10-10QR.
|

















